
مقالات ذات صلة
- تمارين كلاسيك كنترول
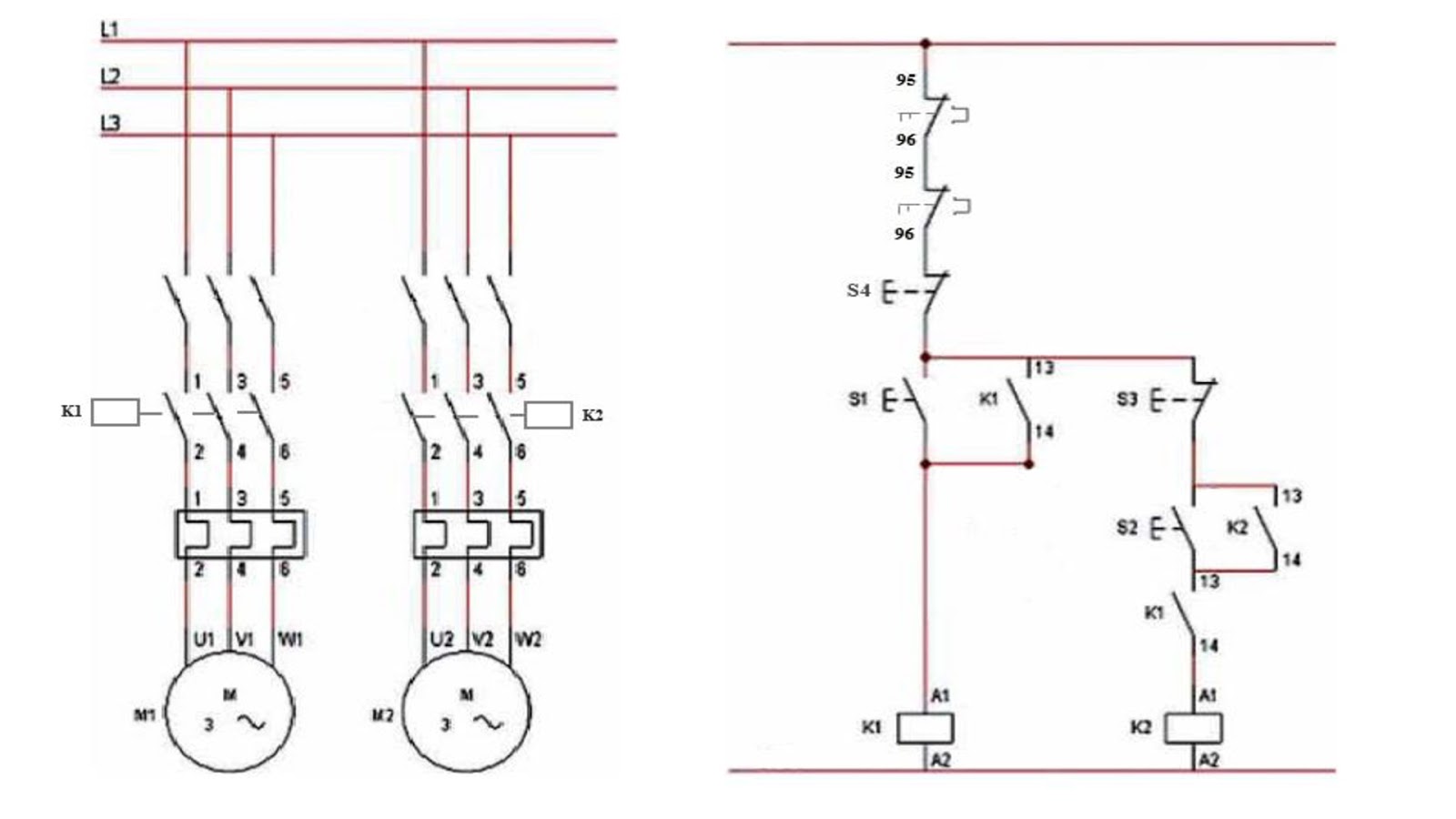
- كورس كلاسيك كنترول pdf حسن علي وتمارين عملية لدوائر التحكم الالى كلاسيك كنترول بمعمل الكنترول
- كورس تدريبى متكامل بالعربية لشرح كل مايتعلق بـ PLC من إنتاج معهد الساليزيان الايطالي
- لغات البرمجة المستخدمة لبرمجة الـ PLC و مستقبل لغة الـ Ladder Diagram فى برمجة الـ PLC
- تحميل كتاب PLC بالعربي "تقنية التحكم المبرمج (عملي)" يتضمن الكثير من الامثلة المحلولة في ال plc
- تحميل برنامج Tia Portal v13 للPlc
- كيفية تحميل برنامج Logo!Soft Comformat V8 لبرمجة الPLC






















































